199178, г. Санкт-Петербург наб. р. Смоленки, д. 14, лит. А, пом. 406

Вентилятор Ziehl-Abegg RH25M-2EK.3B.1R, арт. 107 414

Вентилятор Ziehl-Abegg RH25M-2EK.3B.1R, арт. 107 414
Тип, модель
RH25M-2EK.3B.1R
Артикул
107 414
Серия
RH-M
Типоразмер [мм]
250
Технология электродвигателя
Частота [Гц]
1~ 230V ±10%
Сеть, Hz
50
Класс ErP
Питание [В]
Вес [кг]
6,1
Мощность [кВт]
0,28
Частота вращения [об/мин]
2630
Производительность [м3/ч]
Номинальный ток, А
1,2
ΔI [%]
15
Конденсатор C, μF
6
Макс. допустимая температура перемещаемой среды (tr) °C
40
Степень защиты IP [-]
IP54
Температурный диапазон, °С
Класс нагревостойкости изоляции THCL [-]

Ziehl-Abegg RH25M-2EK.3B.1R (107414) | Взрывозащищенный вентилятор IE4 для пылевых сред

Ziehl-Abegg RH25M-2EK.3B.1R (арт. 107414) — Взрывозащищенный вентилятор IE4 для пылевых сред

Синхронный взрывозащищенный радиальный вентилятор с премиальной энергоэффективностью IE4 для пылевоздушных смесей. Исполнение II 2D Ex tb IIIC T135°C Db IP65, левостороннее вращение, стальная крыльчатка.

Вентилятор Ziehl-Abegg RH25M-2EK.3B.1R (артикул 107414) — взрывозащищенный радиальный вентилятор размером 250 мм с синхронным двигателем IE4 для пылевых взрывоопасных сред. Маркировка взрывозащиты: II 2D Ex tb IIIC T135°C Db IP65. Левостороннее вращение, стальная крыльчатка, корпус из оцинкованной стали. Для взрывоопасных пылевых зон 21 и 22.

Техническое описание взрывозащищенного вентилятора IE4 для пыли

ВЗРЫВОЗАЩИЩЕННОЕ ИСПОЛНЕНИЕ IE4 ДЛЯ ПЫЛЕВЫХ СРЕД

Модель RH25M-2EK.3B.1R (артикул 107414) представляет собой уникальное сочетание премиальной энергоэффективности класса IE4 и взрывозащиты для пылевых сред. Это специализированное исполнение радиального вентилятора, предназначенное для энергоэффективной работы во взрывоопасных пылевых зонах.

Сочетание взрывозащиты для пыли с синхронным двигателем IE4 — это решение для объектов с высокими требованиями как к безопасности, так и к энергосбережению. Такие вентиляторы особенно востребованы на современных производствах, где снижение эксплуатационных расходов сочетается с жесткими требованиями промышленной безопасности.

Конструкция включает синхронный взрывозащищенный двигатель ZAplus® с постоянными магнитами, стальную искробезопасную крыльчатку и корпус с защитой IP65. Все элементы соответствуют требованиям взрывозащиты для пылевых сред и обеспечивают высокий КПД даже на частичных нагрузках.

Оборудование предназначено исключительно для пылевых взрывоопасных сред. Для газовых сред или комбинированных сред (газ+пыль) требуются другие исполнения. Применение не по назначению не допускается.
Синхронный взрывозащищенный двигатель IE4 для пылевых сред
Класс взрывозащиты: II 2D Ex tb IIIC T135°C Db
Стальная искробезопасная крыльчатка
Корпус из оцинкованной стали с защитой IP65
Левостороннее вращение (против часовой стрелки)
Энергоэффективность премиум-класса (IE4)

Области применения в энергоэффективных производствах

Вентилятор применяется на современных производствах, где требования безопасности сочетаются с задачами энергосбережения:

Пищевая промышленность нового поколения

Современные мукомольные комплексы, элеваторы с системами энергоменеджмента

Фармацевтическое производство

Установки для перемещения порошкообразных фармацевтических субстанций

Производство строительных материалов

Цементные заводы, производства сухих строительных смесей

Металлургические предприятия

Системы аспирации с высокими требованиями к энергоэффективности

Синхронные двигатели IE4 в взрывозащищенном исполнении позволяют существенно снизить эксплуатационные расходы при круглосуточной работе систем вентиляции. При сроке службы 10-15 лет экономия на электроэнергии может многократно превысить разницу в первоначальной стоимости по сравнению с асинхронными двигателями IE3.

Конструкция и маркировка

Обозначение модели RH25M-2EK.3B.1R раскрывает все технические особенности:

  • RH25M — Радиальный вентилятор, размер 250, серия M
  • 2EK — Синхронный двигатель с внешним ротором (E), стандартное исполнение (K), класс IE4
  • .3B — Специальное исполнение со стальной крыльчаткой для взрывозащищенных применений
  • .1R — Исполнение "Standard", левостороннее вращение
Синхронный двигатель 2EK в взрывозащищенном исполнении имеет дополнительные конструктивные особенности: специальные уплотнения, термокомпенсирующие элементы, контроль температуры в реальном времени. Это обеспечивает не только взрывозащиту, но и сохранение высокого КПД в тяжелых условиях эксплуатации.

Полная маркировка взрывозащиты: II 2D Ex tb IIIC T135°C Db IP65

  • II 2D — Оборудование категории 2 для пылевых сред (зоны 21, 22)
  • Ex tb — Вид взрывозащиты "защита оболочки" для пыли
  • IIIC — Подгруппа проводящей пыли (металлическая пыль и др.)
  • T135°C — Максимальная температура поверхности 135°C
  • Db — Уровень взрывозащиты "высокий" для пылевых сред
  • IP65 — Полная защита от пыли и струй воды
Температурный класс T135°C означает, что максимальная температура любой поверхности оборудования, доступной для контакта с пылью, не превышает 135°C. Это критически важно для предотвращения самовоспламенения пыли.

Преимущества синхронного взрывозащищенного исполнения

Ключевые преимущества модели RH25M-2EK.3B.1R:

Энергоэффективность IE4 — экономия 15-25% электроэнергии
Взрывозащита для пылевых сред категории 2D
Высокий КПД на всех режимах работы (даже на частичных нагрузках)
Защита IP65 — полная пыле- и влагозащита
Плавное регулирование скорости с ЧРП без потери КПД
Низкий уровень шума благодаря синхронной технологии
Длительный срок службы и увеличенные межсервисные интервалы
Соответствие требованиям ATEX и ТР ТС 012/2011
Синхронные двигатели IE4 в контексте взрывозащищенных применений имеют дополнительное преимущество: более точный контроль температуры. Благодаря электронному управлению и датчикам температуры, эти двигатели могут предотвращать перегрев лучше, чем асинхронные аналоги, что критически важно для взрывозащиты.

Технические характеристики

Типоразмер и энергоэффективность

Размер 250 IE4

Диаметр рабочего колеса 250 мм. Класс энергоэффективности IE4 (премиум).

Взрывозащита для пыли

II 2D Ex tb IIIC

Категория 2D для пылевых зон 21, 22. Вид защиты "tb" для пыли.

Защита и температура

IP65 / T135°C

Полная защита от пыли и струй воды. Температурный класс T135°C.

Направление вращения

Левостороннее (.1R)

Вращение против часовой стрелки (со стороны двигателя).

Производительность и аэродинамические характеристики взрывозащищенных вентиляторов для пыли могут отличаться от стандартных исполнений. Это связано с особенностями конструкции, обеспечивающими взрывозащиту (уплотнения, зазоры, материалы). При подборе необходимо использовать специальные аэродинамические диаграммы для взрывозащищенных исполнений.

Технологические особенности

Синхронная технология ZAplus® Ex

Синхронный двигатель с постоянными магнитами и взрывозащищенным исполнением. Обеспечивает КПД до 94% и точное поддержание характеристик даже в тяжелых условиях.

КПД до 94%
Взрывозащищенное исполнение

Защита оболочки Ex tb для пыли

Конструкция оболочки предотвращает проникновение пыли к потенциальным источникам воспламенения. Специальные уплотнения и конструктивные решения.

Вид защиты "tb"
Пыленепроницаемость

Интеллектуальный температурный контроль

Многозонный контроль температуры с возможностью адаптивного регулирования режима работы. Предотвращение опасного перегрева.

Температурный мониторинг
Адаптивное управление

Сравнение с асинхронным взрывозащищенным исполнением

Параметр
RH25M-2EK.3B.1R (IE4)
RH25M-2DK.3B.1R (IE3)
Отличие
Класс энергоэффективности
IE4 (премиум)
IE3 (высокий)
Более высокий класс
Тип двигателя
Синхронный с постоянными магнитами
Асинхронный
Разная технология
КПД на частичных нагрузках (50%)
90-92%
75-80%
Значительно выше
Диапазон регулирования с ЧРП
10-100% с сохранением КПД
30-100% с падением КПД
Шире и эффективнее
Уровень шума
На 3-5 дБ(А) тише
Стандартный
Тише
Стоимость владения (10 лет)
Ниже за счет экономии энергии
Выше
Экономически выгоднее
Для систем с переменной нагрузкой или регулированием скорости выбор синхронного двигателя IE4 особенно оправдан. Экономия электроэнергии на частичных нагрузках может достигать 25-30% по сравнению с асинхронными двигателями. При круглосуточной работе это дает существенную экономию за срок службы оборудования.

Подключение и управление

Взрывозащищенное оборудование IE4 требует особого подхода к подключению и управлению:

Для регулирования скорости взрывозащищенного вентилятора IE4 необходимо использовать взрывозащищенные частотные преобразователи или размещать стандартные преобразователи за пределами взрывоопасной зоны. Все подключения должны выполняться с использованием взрывозащищенной кабельной арматуры.

Особенности электрического подключения:

  • Трехфазное подключение 3~ 400V 50Hz
  • Использование взрывозащищенных кабельных вводов
  • Соответствующее заземление оборудования
  • Защита автоматическими выключателями с соответствующими характеристиками
  • Возможность подключения датчиков температуры для мониторинга
Синхронные двигатели IE4 имеют встроенную электронику управления, которая требует качественного электропитания. Рекомендуется использование сетевых фильтров и стабилизаторов, особенно при работе от промышленных сетей с возможными перепадами напряжения.

Монтаж и эксплуатационные требования

Монтаж взрывозащищенного оборудования IE4 имеет специфические требования:

Все монтажные работы должны выполняться квалифицированным персоналом, имеющим допуск к работам с взрывозащищенным оборудованием. После монтажа необходимо проверить сохранность взрывозащитных свойств и соответствие монтажа проектной документации.

Ключевые требования к монтажу:

  1. Обеспечение доступа для обслуживания и очистки от пыли
  2. Использование виброизолирующих креплений
  3. Обеспечение свободного охлаждения двигателя
  4. Проверка направления вращения перед первым пуском
  5. Документирование выполненных работ
Температура окружающей среды: -20°C до +40°C
Относительная влажность: до 95% (без конденсата)
Высота установки: до 1000 м над уровнем моря
Монтажное положение: любое

Ответы на технические вопросы

В чем преимущество IE4 для взрывозащищенных применений? +

Преимущества IE4 для взрывозащищенных применений: 1) Более низкие рабочие температуры благодаря высокому КПД, что важно для соответствия температурному классу; 2) Экономия электроэнергии 15-25%, что снижает эксплуатационные расходы; 3) Более точный контроль температуры с помощью встроенной электроники.

Для взрывозащищенных применений температура поверхностей — критический параметр. Синхронные двигатели IE4 благодаря высокому КПД выделяют меньше тепла, что упрощает соблюдение температурных ограничений и повышает надежность системы в целом.
Можно ли использовать для пищевой промышленности? +

Да, вентилятор может применяться в пищевой промышленности для взрывоопасных пылевых сред (мука, сахар, крахмал и др.). Однако для непосредственного контакта с пищевыми продуктами могут потребоваться дополнительные сертификаты (например, FDA, EHEDG) и специальные материалы.

Какие документы поставляются с оборудованием? +

С взрывозащищенным оборудованием поставляется: сертификат ATEX, декларация соответствия ТР ТС 012/2011, паспорт изделия с маркировкой взрывозащиты, руководство по монтажу и эксплуатации, электрические схемы.

Требуется ли специальное обслуживание? +

Взрывозащищенное оборудование требует регулярного обслуживания с акцентом на сохранение взрывозащитных свойств: проверка уплотнений, контроль температуры, очистка от пыли неискрящими методами. Обслуживание должно выполняться специализированными организациями.

После любого обслуживания или ремонта взрывозащищенного оборудования необходимо проверять сохранение взрывозащитных свойств. Это может требовать специальных измерений и оформления соответствующей документации.

Сертификация и стандарты

IE4

Super Premium Efficiency

II 2D Ex tb

Взрывозащита для пыли

ATEX

2014/34/EU

IP65

Степень защиты

IEC 60079-31

Взрывозащита для пыли

ТР ТС 012/2011

Техрегламент ТС

Консультация по энергоэффективному взрывозащищенному оборудованию

Для получения технической информации, расчета экономической эффективности и коммерческого предложения

Запросить консультацию

Официальный поставщик взрывозащищенного оборудования Ziehl-Abegg в России

Технические характеристики:


Технологические характеристики RH25M-2EK.3B.1R, арт. 107 414

Характеристики вентилятора:

Аэродинамические характеристики вентилятора RH25M-2EK.3B.1R, арт. 107 414


                                                                                                                                                   
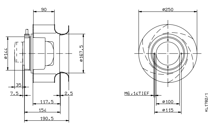
Чертеж

Чертеж вентилятора RH25M-2EK.3B.1R, арт. 107 414