199178, г. Санкт-Петербург наб. р. Смоленки, д. 14, лит. А, пом. 406

Вентилятор Ziehl-Abegg RH25M-2EK.1E.2R, арт. 111 132

Вентилятор Ziehl-Abegg RH25M-2EK.1E.2R, арт. 111 132
Тип, модель
RH25M-2EK.1E.2R
Артикул
111 132
Серия
RH-M
Типоразмер [мм]
250
Технология электродвигателя
Частота [Гц]
1~ 230V ±10%
Сеть, Hz
50
Класс ErP
Питание [В]
Вес [кг]
5
Мощность [кВт]
0,24
Частота вращения [об/мин]
2720
Производительность [м3/ч]
Номинальный ток, А
1,05
Конденсатор C, μF
10
Макс. допустимая температура перемещаемой среды (tr) °C
60
Степень защиты IP [-]
IP44
Температурный диапазон, °С
Класс нагревостойкости изоляции THCL [-]

Ziehl-Abegg RH25M-2EK.1E.2R: Радиальный вентилятор премиум-класса

Промышленный радиальный вентилятор среднего давления для круглосуточной эксплуатации в составе систем общеобменной и технологической вентиляции. Комбинация технологий ZAbluefin® и ZAplus® для максимальной энергоэффективности.

Техническая концепция вентилятора

Модель RH25M-2EK.1E.2R (артикул 111132) представляет собой профессиональный радиальный вентилятор серии RH-M от немецкого инженерного концерна Ziehl-Abegg. Устройство спроектировано как готовый агрегат для интеграции в системы приточно-вытяжной вентиляции, воздушного отопления и технологических установок.

Конструктивной особенностью является цельнолитая алюминиевая крыльчатка с обратно-загнутыми лопатками технологии ZAbluefin®, установленная на внешнерамочный синхронный двигатель ZAplus® класса IE4. Такая интеграция обеспечивает КПД до 87% и исключительную энергоэкономичность. Исполнение корпуса из горячеоцинкованной стали гарантирует долговечность в промышленных условиях.

Цельнолитая алюминиевая крыльчатка ZAbluefin®
Синхронный двигатель ZAplus® класса IE4
Корпус из горячеоцинкованной стали
Класс защиты IP54 от пыли и брызг

Сферы применения и промышленные решения

Вентилятор демонстрирует exceptional надежность в системах, требующих стабильного давления и производительности:

Приточно-вытяжные установки (ПВУ)

Круглосуточная вентиляция офисных, торговых и промышленных зданий

Воздушное отопление и завесы

Тепловые завесы, системы воздушного отопления и воздушные завесы

Технологическая вентиляция

Транспортировка воздушных смесей, сушильные камеры, пневмотранспорт

Оборудование для обработки воздуха

Центральные кондиционеры (AHU), крышные вентиляционные установки

Конструктивные инновации

В основе конструкции лежит двигатель с внешним ротором (исполнение 2EK), построенный по синхронной технологии с классом энергоэффективности IE4. Такое решение обеспечивает высочайший КПД и полную готовность к плавному регулированию скорости с помощью частотных преобразователей (ЧРП).

Исполнение .1E означает цельнолитую алюминиевую крыльчатку и корпус из оцинкованной стали. Исполнение .2R указывает на стандартное правостороннее вращение (со стороны двигателя - по часовой стрелке).

Синхронный двигатель ZAplus® IE4
Внешнерамочная конструкция
Готовность к работе с ЧРП (EC-технология)
Подшипники повышенного ресурса (класс C3)

Ключевые преимущества модели

RH25M-2EK.1E.2R устанавливает новые стандарты энергоэффективности для радиальных вентиляторов среднего давления:

Класс энергоэффективности IE4 (суперпремиум)
Снижение энергозатрат до 40% по сравнению с IE2
Низкий уровень шума благодаря аэродинамике ZAbluefin®
Защита IP54 для работы в сложных условиях
Готовность к интеграции в системы АСУ ТП и АСУЗ
Увеличенный межсервисный интервал
Полная готовность к монтажу и эксплуатации
Немецкое качество и глобальная сертификация

Технические характеристики

Типоразмер и производительность

Размер 250

Диаметр рабочего колеса ~250 мм, оптимальная производительность до ~1500 м³/ч

Энергоэффективность

IE4

Высший класс энергоэффективности, соответствует стандарту IEC 60034-30-1

Защита и безопасность

IP54

Полная защита от пыли и брызг воды со всех направлений

Надежность

24/7

Рассчитан на круглосуточную непрерывную эксплуатацию

Инновационные технологии

ZAbluefin® Aerodynamics

Запатентованная аэродинамика лопастей, вдохновленная плавниками китовой акулы. Литое алюминиевое колесо обеспечивает максимальную прочность, идеальную балансировку и КПД до 87%, резко снижая энергопотребление и шум.

КПД до 87%
Низкий шум

ZAplus® Motor Technology

Синхронный двигатель с внешним ротором класса IE4. Специально разработан для работы в составе вентилятора. Имеет встроенную защиту и оптимизирован для работы с частотными преобразователями.

Класс IE4
EC-готовность

Industrial Robustness

Конструкция для тяжелых условий. Прочный оцинкованный корпус, подшипники повышенного ресурса (C3), защита IP54. Предназначен для работы с запыленным или умеренно агрессивным воздухом.

Защита IP54
Подшипники C3

Сравнительный анализ экономической эффективности

Параметр
RH25M-2EK.1E.2R (IE4)
Обычные радиальные вентиляторы (IE2)
Преимущество
Энергопотребление (номинальная нагрузка)
Оптимизировано, на 30-40% ниже
Стандартное, высокие потери
Снижение затрат на электроэнергию
Диапазон регулирования с ЧРП
Широкий, плавный контроль
Ограниченный, ступенчатый
Точное соответствие потребностям системы
Уровень звуковой мощности
Снижен за счет ZAbluefin®
Повышенный, турбулентный шум
Снижение затрат на шумоглушение
Межсервисный интервал
Увеличен
Стандартный
Снижение затрат на обслуживание
Срок окупаемости (за счет экономии энергии)
2-3 года
Не применимо
Быстрая финансовая отдача

Особенности подключения и эксплуатации

Для максимальной эффективности рекомендуется подключение вентилятора через частотный преобразователь (ЧРП). Это позволяет точно регулировать производительность в зависимости от потребностей системы и достигать дополнительной экономии энергии на частичных нагрузках.

Стандартное подключение - трехфазное. Двигатель оптимизирован для работы с ЭСП (электронными системами плавного пуска) и ЧРП, что позволяет интегрировать его в современные системы автоматизации зданий (АСУЗ) или технологических процессов (АСУ ТП).

Рекомендовано подключение через ЧРП
Стандартное трехфазное подключение
Оптимизирован для ЭСП и АСУ ТП
Минимальные требования к обслуживанию

Монтаж и техническое обслуживание

Вентилятор поставляется как полностью готовый к работе агрегат. Монтаж осуществляется в воздуховоды или вентиляционные установки. Важно обеспечить свободный подход воздуха к входному отверстию и отсутствие резких изгибов воздуховода непосредственно на выходе.

Техническое обслуживание минимально благодаря продуманной конструкции. Рекомендуется периодическая проверка чистоты крыльчатки и подшипников. Межсервисный интервал при нормальных условиях эксплуатации значительно увеличен благодаря качественным компонентам.

Полная готовность к монтажу
Простая интеграция в воздуховоды
Минимальное техническое обслуживание
Увеличенный межсервисный интервал

Ответы на ключевые вопросы

В чем отличие двигателя 2EK (IE4) от обычных асинхронных двигателей? +

Двигатель исполнения 2EK - это синхронный двигатель с внешним ротором и высшим классом энергоэффективности IE4. В отличие от стандартных асинхронных двигателей (IE2/IE3), он имеет значительно более высокий КПД (особенно на частичных нагрузках), меньшие потери и оптимизирован для плавного регулирования скорости с помощью частотных преобразователей. Это дает экономию электроэнергии до 40%.

Можно ли регулировать производительность этого вентилятора? +

Да, это одна из ключевых особенностей модели. Двигатель ZAplus® (исполнение 2EK) идеально подходит для регулирования. Для этого необходимо подключить вентилятор через частотный преобразователь (ЧРП). Это позволит плавно изменять скорость вращения в широком диапазоне (примерно от 20% до 100% от номинала), точно подстраивая производительность под потребности системы.

Для каких сред предназначен данный вентилятор? +

RH25M-2EK.1E.2R предназначен для перемещения невзрывоопасных воздушных и газовых смесей с умеренным содержанием пыли. Корпус из оцинкованной стали и защита IP54 позволяют ему работать в условиях повышенной влажности и запыленности. Стандартный температурный диапазон обычно до +60°C. Для специфических сред требуется подбор специального исполнения.

Что означает «правостороннее вращение (2R)»? +

Исполнение .2R означает, что вентилятор правосторонний. Направление вращения определяется со стороны двигателя. Если смотреть на вентилятор со стороны двигателя, рабочее колесо вращается по часовой стрелке. Это стандартное и наиболее распространенное исполнение. При заказе важно убедиться, что оно соответствует схеме движения воздуха в вашей системе.

Сертификация и соответствие стандартам

IE4

Энергоэффективность (IEC 60034-30-1)

ISO 5801

Испытания производительности

CE

Соответствие директивам ЕС

IP54

Степень защиты (IEC 60529)

ГОСТ

Российская сертификация

ТР ТС

Таможенный союз

Оптимизируйте вашу систему вентиляции

Получите детальное технико-коммерческое предложение на вентилятор Ziehl-Abegg RH25M-2EK.1E.2R с расчетом экономии энергии

Запросить расчет

Техническая консультация инженера - бесплатно

Технические характеристики:


Технологические характеристики RH25M-2EK.1E.2R арт. 111132

Характеристики вентилятора:

Аэродинамические характеристики вентилятора RH25M-2EK.1E.2R арт. 111132


                                                                                                                                                   
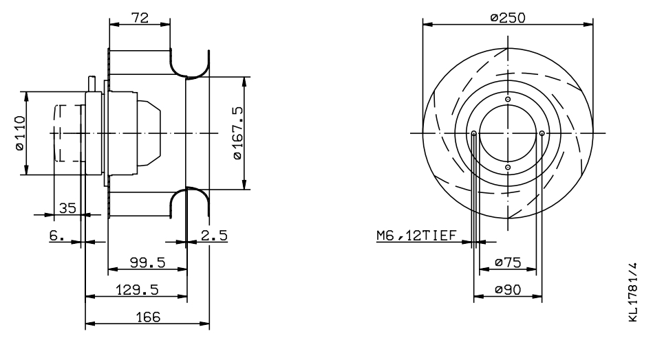
Чертеж

Чертеж вентилятора RH25M-2EK.1E.2R арт. 111132