199178, г. Санкт-Петербург наб. р. Смоленки, д. 14, лит. А, пом. 406

Вентилятор Ziehl-Abegg RH22M-2DK.1B.2R, арт. 121 861

Вентилятор Ziehl-Abegg RH22M-2DK.1B.2R, арт. 121 861
Тип, модель
RH22M-2DK.1B.2R
Артикул
121 861
Серия
RH-M
Типоразмер [мм]
220
Технология электродвигателя
Частота [Гц]
3~ 400V ±10%
Сеть, Hz
50
Класс ErP
Питание [В]
Вес [кг]
3,2
Мощность [кВт]
0,16
Частота вращения [об/мин]
2770
Производительность [м3/ч]
Номинальный ток, А
0,30
Конденсатор C, μF
10
Макс. допустимая температура перемещаемой среды (tr) °C
70
Степень защиты IP [-]
IP44
Температурный диапазон, °С
Класс нагревостойкости изоляции THCL [-]

Купить Ziehl-Abegg RH22M-2DK.1B.2R (121861) | Радиальный вентилятор IE3 | ВентПремиум

Ziehl-Abegg RH22M-2DK.1B.2R: Надежный радиальный вентилятор для систем средней производительности

Промышленный радиальный вентилятор среднего давления с двигателем IE3 для круглосуточной эксплуатации в составе систем общеобменной вентиляции, технологических процессов и воздушного отопления. Оптимальное соотношение цены и энергоэффективности.

Техническая концепция вентилятора

Модель RH22M-2DK.1B.2R (артикул 121861) представляет собой надежный радиальный вентилятор серии RH-M от немецкого инженерного концерна Ziehl-Abegg. Устройство спроектировано как готовый агрегат для интеграции в системы приточно-вытяжной вентиляции, воздушного отопления и технологических установок средней мощности.

Конструктивной особенностью является стальная крыльчатка с обратно-загнутыми лопатками, установленная на эффективный асинхронный двигатель с внешним ротором класса IE3. Такое решение обеспечивает стабильную производительность, надежность и энергоэкономичность. Исполнение корпуса из оцинкованной стали гарантирует долговечность в стандартных промышленных условиях.

Стальная крыльчатка с обратно-загнутыми лопатками
Асинхронный двигатель с внешним ротором IE3
Корпус из оцинкованной стали
Класс защиты IP55 от пыли и водяных струй

Сферы применения и промышленные решения

Вентилятор демонстрирует высокую надежность в системах, требующих стабильного давления и средней производительности:

Общеобменная вентиляция

Приточно-вытяжные установки (ПВУ) офисных зданий, торговых центров, производственных помещений

Системы воздушного отопления

Тепловые завесы, воздушные завесы, системы воздушного отопления складов и ангаров

Технологические процессы

Транспортировка воздушных смесей, сушильные камеры средней мощности, местные вытяжные системы

Коммерческая недвижимость

Вентиляция ресторанов, гостиниц, фитнес-центров и административных зданий

Конструктивные особенности и расшифровка исполнения

В основе конструкции лежит асинхронный двигатель с внешним ротором (исполнение 2DK), с классом энергоэффективности IE3. Это проверенное решение, обеспечивающее надежную работу и совместимость со стандартными системами управления.

Исполнение .1B означает стальную крыльчатку и корпус из оцинкованной стали. Исполнение .2R указывает на стандартное правостороннее вращение (со стороны двигателя - по часовой стрелке).

Асинхронный двигатель с внешним ротором IE3
Высокая степень защиты IP55
Стальная крыльчатка повышенной прочности
Встроенная тепловая защита двигателя

Ключевые преимущества модели

RH22M-2DK.1B.2R предлагает оптимальное сочетание надежности, производительности и экономической эффективности:

Класс энергоэффективности IE3 (высокий)
Повышенная защита IP55 для работы во влажных условиях
Надежная асинхронная технология двигателя
Стальная крыльчатка для долговечной работы
Готовность к работе с частотными преобразователями
Простота монтажа и обслуживания
Оптимальное соотношение цены и производительности
Немецкое качество и надежность Ziehl-Abegg

Технические характеристики

Типоразмер и производительность

Размер 225

Диаметр рабочего колеса ~225 мм, оптимальная производительность до ~1200 м³/ч

Энергоэффективность

IE3

Высокий класс энергоэффективности, соответствует стандарту IEC 60034-30-1

Защита и безопасность

IP55

Защита от пыли и водяных струй с любого направления

Надежность

24/7

Рассчитан на непрерывную круглосуточную эксплуатацию

Ключевые технологии

Оптимизированная аэродинамика

Стальная крыльчатка с обратно-загнутыми лопатками, спроектированная для максимальной эффективности и стабильности потока. Обеспечивает надежную работу в широком диапазоне рабочих точек.

Стабильный поток
Прочная конструкция

Надежный двигатель IE3

Асинхронный двигатель с внешним ротором класса IE3. Проверенная технология, обеспечивающая долговечность и стабильную работу. Оптимизирован для работы с системами плавного пуска и ЧРП.

Класс IE3
Внешний ротор

Повышенная защита IP55

Конструкция, обеспечивающая защиту от пыли и водяных струй. Позволяет эксплуатировать вентилятор в условиях повышенной влажности и запыленности без риска повреждения.

IP55 защита
Влагостойкость

Сравнительный анализ эффективности

Параметр
RH22M-2DK.1B.2R (IE3)
Обычные вентиляторы (ниже IE3)
Преимущество
Энергопотребление
Оптимизировано, соответствует IE3
Повышенное, низкая эффективность
Экономия электроэнергии
Защита от воздействий
IP55 (пыль и водяные струи)
IP54 или ниже
Большая надежность во влажных условиях
Совместимость с ЧРП
Полная готовность
Ограниченная или отсутствует
Гибкое регулирование производительности
Межсервисный интервал
Увеличенный
Стандартный
Снижение затрат на обслуживание
Общая стоимость владения
Оптимальная
Повышенная
Лучшее соотношение цены и качества

Особенности подключения и эксплуатации

Вентилятор совместим с частотными преобразователями (ЧРП), что позволяет точно регулировать производительность в зависимости от потребностей системы. Это обеспечивает дополнительную экономию энергии при работе на частичных нагрузках.

Стандартное подключение - трехфазное. Двигатель рассчитан на работу с электронными системами плавного пуска (ЭСП) и совместим с большинством современных систем автоматизации.

Совместимость с частотными преобразователями
Трехфазное подключение
Работа с системами плавного пуска
Интеграция в системы автоматизации

Монтаж и техническое обслуживание

Вентилятор поставляется как полностью готовый к работе агрегат. Монтаж осуществляется в воздуховоды или вентиляционные установки. Необходимо обеспечить свободный доступ воздуха к входному отверстию и плавные переходы на выходе для сохранения номинальных характеристик.

Техническое обслуживание минимально благодаря надежной конструкции. Рекомендуется периодическая проверка состояния крыльчатки и подшипников. Межсервисный интервал увеличен благодаря качественным компонентам.

Полная готовность к монтажу
Простая установка в систему
Минимальное техническое обслуживание
Доступность запасных частей

Ответы на ключевые вопросы

В чем отличие двигателя 2DK (IE3) от 2EK (IE4)? +

Двигатель исполнения 2DK - это асинхронный двигатель с внешним ротором класса энергоэффективности IE3. В отличие от синхронного двигателя 2EK (IE4), он имеет немного более низкий КПД, особенно на частичных нагрузках, но отличается более доступной ценой и проверенной надежностью. Это оптимальный выбор для проектов, где важна общая экономическая эффективность.

Что означает степень защиты IP55 и где она важна? +

Степень защиты IP55 означает полную защиту от пыли (первая цифра 5) и защиту от водяных струй с любого направления (вторая цифра 5). Это важно при установке вентилятора в условиях повышенной влажности, возможного попадания брызг воды, а также в сильно запыленных помещениях. Такая защита увеличивает надежность и срок службы оборудования.

Можно ли регулировать производительность этого вентилятора? +

Да, вентилятор RH22M-2DK.1B.2R совместим с частотными преобразователями (ЧРП). Подключение через ЧРП позволяет плавно регулировать скорость вращения и, соответственно, производительность вентилятора. Это обеспечивает точное соответствие производительности потребностям системы и дополнительную экономию энергии.

В чем преимущество стальной крыльчатки (.1B)? +

Исполнение .1B со стальной крыльчаткой обеспечивает повышенную прочность и устойчивость к механическим воздействиям. Такая крыльчатка менее чувствительна к абразивному износу при работе с запыленным воздухом и обладает большим запасом прочности. Это проверенное решение для надежной долговечной работы.

Сертификация и соответствие стандартам

IE3

Энергоэффективность (IEC 60034-30-1)

IP55

Степень защиты (IEC 60529)

CE

Соответствие директивам ЕС

ISO 5801

Испытания производительности

ГОСТ

Российская сертификация

Подберите надежное решение для вашей системы вентиляции

Получите коммерческое предложение на вентилятор Ziehl-Abegg RH22M-2DK.1B.2R с технической консультацией от инженеров ВентПремиум

Запросить КП и консультацию

Официальный поставщик Ziehl-Abegg в России - гарантия качества и доступности запасных частей

Технические характеристики:


Технологические характеристики RH22M-2DK.1B.2R, арт. 121 861

Характеристики вентилятора:

Аэродинамические характеристики вентилятора RH22M-2DK.1B.2R, арт. 121 861


                                                                                                                                                   
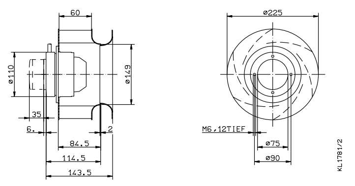
Чертеж

Чертеж вентилятора RH22M-2DK.1B.2R, арт. 121 861